JWM丝杆升降机|JWM螺旋丝杆升降机|JWM升降机-JWM蜗轮丝杠升降机-吴桥鑫纪源减速机械有限公司

吴桥鑫纪源减速机械有限公司
手机站| 网站地图
服务咨询热线:
13513025815
首页
  • 公司简介
  • 丝杠升降机
  • 螺旋升降机
  • 蜗轮蜗杆减速机
  • 浓密机减速机
  • 圆弧齿蜗轮减速机
  • 生产场景
  • 联系方式
热门点击: SWL(QWL)蜗轮丝杠升降机|GCW双级齿轮蜗轮减速机|8000系列行星针轮摆线减速机|NMRV微型蜗杆减速机|RZS中频电炉用减速机|CW模块化圆弧圆柱蜗杆减速机|RD连铸机拉矫机专用减速机|
当前位置:首页>产品中心>蜗轮丝杆升降机>JWM蜗轮丝杠升降机
JWM丝杆升降机-JWM螺旋丝杆升降机-JWM升降机

JWM蜗轮丝杠升降机

JWM螺旋丝杆升降机属于减速机配件,JWM升降机广泛应用于机械、冶金、建筑、水利设备等行业,JWM丝杆升降机具有起升、下降及借助辅件推进、翻转及各种高度位置调整等诸多功能。
相关标签:System.Web.HttpException (0x80004005): 没有找到属性:相关搜索标签
技术咨询热线:
0317-7290300

详细内容介绍

JW丝杆升降机概述
一JWM蜗轮丝杠升降机(梯形丝杆型) 低速、低频率 JWM型(梯形丝杆型)适用于低速、低频率的场合,主要构成部件为:精密梯形丝杆副与主精度蜗轮蜗杆副。
JWM蜗轮丝杠升降机特点:
1经济: 结构紧凑、操作简单、保养方便。
2低速、低频率: 主要用于负荷大、低速与无需频繁工作的场所。
3保持载重:梯形丝杆具有自动锁定功能,既使没有制动装置也可保持载重。
*JWM蜗轮丝杠升降机在受到_大振动,冲击载荷时,偶尔会使自锁功能失灵,此时则须外加制动装置。
 二JWB型蜗轮丝杠升降机(普通滚珠丝杆型) 高速、高频率 JWB型(普通滚珠丝杆型),适用于高速,高频率和高性能的装置中,主要构成部件为滚珠丝杆副与高蜗轮蜗杆副。
JWB型蜗轮丝杠升降机特点:
1效率高:用滚动摩擦、提高了整机效率,只须很小的驱动源,_可以产生很大的推动力。
2高速化:与梯形丝杆相比,速度有很大的提高,能轻松而高速地运转。
3使用寿命长:采用高质量的滚珠丝杆,使其工作寿命提高3倍以上。


 


螺母转动丝杆上下移动,此为普通型升降机装配

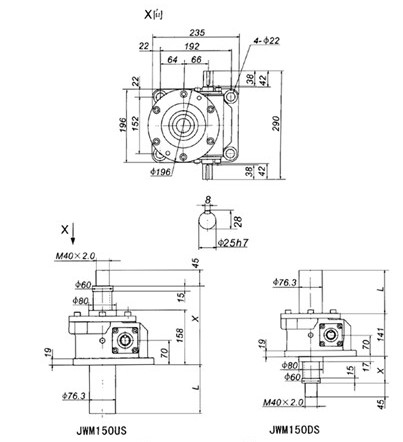
US:押上      DS:吊下

*请根据载荷方向、安装方向来选择合适的升降机(押上或吊下)

*丝杆轴在升降时,会产生旋转力,所以_做好防止旋转措施。

止旋构造(UM,DM)




 


UM:押上    DM:吊下

适用于_无连接下运转或因滑轮而卷拉着绳索等又不能实现防止旋转的情况

请根据载荷方向、安装方向来选合适的升降机(UM或DM)

活动螺母构造(UR,DR)


 
一般情况下,升降机_具有因丝杆轴的升降而产生的行程和丝杆罩所需的空间,若想在有限的空间内增长行程时,使用此活动螺母构造非常适应(丝杆轴旋转,活动螺母移动)。丝杆轴_为圆柱形,所以在长行程时,在轴端采用支撑方式,可以得到很好的效果。

UR:押上     DR:吊下

请根据载荷方向,安装方向来选择合适的升降机(押上或吊下)

注:选型和型号表示方法中,还需注明螺母的放置方向。

型号表示方法



 

 

 

 


 

                      JWM100丝杠升降机外形尺寸


 
 

 

                          JWM150丝杠升降机外形尺寸


 

 

 

                                JWM200丝杠升降机外形尺寸



 


 

 

                            

                        JWM300丝杠升降机外形尺寸


 

 
                  

                           JWM500丝杠升降机外形尺寸

 

 
                   

                         JWM750丝杠升降机外形尺寸

 
          

 
                       

                       JWM1000丝杠升降机外形尺寸


 

 


 


JWM(梯形丝杆类型)基本参数一览表


型号

JWM002

JWM005

JWM010

JWM025

JWM050

JWM100

JWM150

JWM200

JWM300

JWM500

JWM750

JWM1000

_载荷kN

1.96

4.90

9.80

24.5

49.0

98.0

147

196

294

490

735

980

丝杆外径mm

12

16

20

26

40

50

55

65

85

120

130

150

丝杆底径mm

8.8

10.8

14.8

19.7

30.5

38.4

43.4

51.3

67

102

112

127

丝杆螺距mm

3

4

4

5

8

10

10

12

16

16

16

20

减速比

H速度

5

5

5

6

6

8

8

8

102/3

102/3

102/3

12

L速度

20

20

20

24

24

24

24

24

32

32

32

36

综合效率%

H速度

26

26

21

21

22

22

20

20

19

15

13

13

L速度

15

15

12

12

14

15

14

13

11

10

8

8

容许输入_

大功率(kW)

H速度

0.16

0.39

0.49

1.0

2.0

2.8

3.1

5.0

8.4

13.4

14.4

21.4

L速度

0.08

0.18

0.36

0.46

0.63

1.4

2.2

3.2

4.6

5.7

7.2

9.4

空载扭矩(N·m)

0.11

0.11

0.29

0.62

1.4

2.0

2.6

3.9

9.8

19.6

29.4

39.2

容许输入轴扭矩(N·m)*

9.8

9.8

19.6

49.0

153.9

292.0

292.0

292.0

735.0

1372.0

1764.0

2450.0

_载荷时所需输

轴扭矩(N·m)**

H速度

0.83

2.5

6.2

16.1

48.7

90.7

149.0

238.1

400.1

856.0

1380.5

2040.9

L速度

0.42

1.1

2.9

7.4

20.0

45.3

72.3

124.0

244.0

453.3

761.3

1278.3

输入轴每回转一圈丝杆(活动螺母)轴向位移量

H速度

0.60

0.80

0.80

0.83

1.33

1.25

1.25

1.50

1.50

1.50

1.50

1.67

L速度

0.15

0.20

0.20

0.21

0.33

0.42

0.42

0.50

0.50

0.50

0.50

0.56

_载荷时容许输入轴回转速度

H速度

1800

1500

750

600

400

300

200

200

200

150

100

100

L速度

1800

1500

1200

600

300

300

290

250

180

120

90

70

_载荷时丝杆

回转扭矩(N·m)

2.6

8.6

20.1

65.1

201.5

503.6

813.2

1287.7

2531.9

5551.3

8921.8

13878.3

*减速机输入轴的容许扭矩。(连动运转时请确认)

**包括无负荷空转扭矩的数值。

*减速机输入轴的容许扭矩。(连动运转时请确认)

**包括无负荷空转扭矩的数值。

相关产品

SCW轴装式减速机-空心轴减速机-轴装式减速机厂
SCW轴装式减速机
蜗杆减速机-减速机-涡轮减速机
TPA平面二次包络环面蜗杆减速机
二联动丝杆升降机
二联动丝杆升降机
摆线减速机-行星摆线减速机-三级行星摆线针
8000系列(XL. XLD)型摆线针轮减速机
产品导航
PRODUCT
阿基米德圆柱蜗杆减速机
WD150-360圆柱蜗杆减速机WS150-360圆柱蜗杆减速机WD80-120圆柱蜗杆减速机WS80-120圆柱蜗杆减速机WXJ圆柱蜗杆减速机WSJ圆柱蜗杆减速机WC圆柱蜗杆减速机WD非标加长轴减速机WS非标加长轴减速机
圆弧齿圆柱蜗杆减速机圆弧圆柱蜗杆减速机蜗轮丝杆升降机阿基米德圆柱蜗杆减速机CW圆弧圆柱蜗杆减速机轴装式圆弧圆柱蜗杆减速机CCW双级蜗轮蜗杆减速机GCW齿轮蜗轮组合减速机JWZ中心驱动刮泥机减速机RZS中频电炉用减速机行星摆线针轮减速机二次包络蜗杆减速机非标专用减速机焊接变位机专用减速机多联动丝杆升降机

技术文档

  • 减速机在维修过程中常见问题分析
  • 减速机的加油要领有哪些?
  • 减速机噪音预防与长期管控措施
  • 减速机是如何实现力矩放大的?
  • 减速机的选型方法是什么?

联系方式

吴桥鑫纪源减速机械有限公司
吴桥鑫纪源减速机械有限公司
地址:吴桥县杨家寺乡政府东侧
电话:0317-7290300
传真:0317-7291300
手机:13513025815
13784756395
联系人:杨洪武
邮编:061801
邮箱:xinjiyuanjiansuji@163.com
首页|产品中心|SWL(QWL)蜗轮丝杠升降机|GCW双级齿轮蜗轮减速机|技术文档|资讯中心|公司简介|联系方式|

常见问题

  • 蜗轮蜗杆减速机可以正反转吗
  • 蜗轮蜗杆减速机与齿轮减速机有什么区别?
  • 蜗轮蜗杆减速机的自锁条件是什么?
  • 减速电机是干嘛用的,工作原理与关键作用
  • 造成蜗轮蜗杆减速机振动过大的原因是什么?

公司新闻

  • 河北减速机生产厂家
  • 圆弧齿圆柱蜗杆减速机与普通蜗杆减速机的区别
  • 吴桥鑫纪源减速机厂家解析不同型号减速机的应用场景
  • 吴桥鑫纪源:专注丝杆升降机研发与定制
  • 选减速机不踩坑!吴桥鑫纪源欢迎实地考察咨询

发货通知

  • WD180-37-V减速机发货通知
  • WHX120-50-IIF减速机发货通知
  • JWM200UM-H-340J螺纹头升降机发货通知
  • SWL15P-1A-II-570升降机发货通知
  • JWM150UM-H300-螺纹头升降机发货通知
吴桥鑫纪源减速机械有限公司
公司名称:吴桥鑫纪源减速机械有限公司 公司地址:吴桥县杨家寺乡政府东侧 电话:0317-7290300 传真:0317-7291300 
手机:13513025815 官方网址:http://www.xjyjsj.com 
吴桥鑫纪源减速机械有限公司 2011(C)版权所有 并对网站所有内容保留解释权  
PowerBy:速贝·网搜宝 网站建设:中科四方 技术支持:速贝